關于本規范的重要聲明:
1 爐墻砌筑的重要性
循環流化床鍋爐的典型特征是煙氣流速較高,煙氣中灰濃度大、顆粒粒度大,對爐墻沖刷嚴重。因此對爐墻砌筑材料的理化指標、施工工藝、爐墻砌筑等方面的質量提出了非常嚴格的要求。從已經投運的循環流化床鍋爐產品來看,爐墻砌筑的質量問題已成為制約鍋爐正常運行的重要因素。爐墻砌筑質量差會給用戶帶來很大的經濟損失,因此我們特意編寫了“爐墻砌筑規范”和用戶一起做好爐墻砌筑工作,確保鍋爐產品長期可靠運行。
2 對爐墻砌筑材料配套廠家的要求
各配套廠家必須嚴格按照本規范的有關規定提供質量合格的爐墻砌筑材料,同時按照工藝要求進行施工以確保爐墻的砌筑質量。如發現提供的材料不符合本規范規定或者施工質量達不到要求,使鍋爐產品短時間運行后就發生開裂、剝落、塌陷等問題造成用戶經濟損失的供貨廠家將列入鍋爐集團有限公司循環流化床鍋爐產品“嚴禁配套的耐火材料廠家名單”,向已經簽訂合同的用戶和正在洽談中的用戶公布這一名單,將配套質量問題予以通報。
3 對爐墻砌筑規范的實施要求
(1) 為準確執行本規范的要求,在用戶訂購砌筑材料及爐墻砌筑前,鍋爐集團有限公司將派技術人員向用戶和爐墻砌筑施工單位詳細講解本規范。
(2) 在我公司技術人員向用戶和施工單位詳細講解本規范時,同時征求耐火材料廠家(爐墻砌筑施工單位)對鍋爐產品各部位爐墻砌筑的意見,最終達成一致后實施。耐火材料廠家(爐墻砌筑施工單位)對本規范提出的不同意見和建議,必須經過鍋爐集團有限公司技術中心書面文件同意、用戶認可后方可變更。變更后的文件交用戶存檔。
(3) 耐火材料廠家(爐墻砌筑施工單位)必須嚴格按照符合本規范要求的施工工藝進行施工,同時應嚴格保證施工后的結構尺寸完全符合鍋爐設計圖紙的要求。用戶監理人員應嚴格按照本規范的有關要求進行現場監理及檢驗和驗收工作,以確保爐墻砌筑質量。
第一部分 爐墻砌筑常用材料技術指標
1.1 磷酸鹽耐火混凝土
1.1.1 磷酸鹽耐火混凝土的技術指標必須符合表1的要求

1.1.2 材料交付:材料在工地交付用戶時應采用分袋包裝的形式,并且隨材料一同提供材料化驗單。用戶對每一批材料在現場進行抽樣,委托權威部門進行鑒定,以確定材料是否符合要求。
1.1.3 工程試塊要求:耐火混凝土施工時應在施工現場隨機采樣制作工程試塊 。工程試塊的制作應不少于4組(每組3塊),試塊尺寸為40×40×160毫米。工程試塊的養護、烘烤應完全符合鍋爐爐墻的烘烤要求。
1.2 耐磨耐火可塑料
1.2.1 耐磨耐火可塑料的技術指標必須符合表2的要求。

1.2.2 材料交付:材料在工地交付用戶時應采用分袋包裝的形式,并且隨材料一同提供材料化驗單。用戶對每一批材料在現場進行抽樣,委托權威部門進行鑒定,以確定材料是否符合要求。
1.2.3 工程試塊要求:耐磨耐火可塑料施工時應在施工現場隨機采樣制作工程試塊 。工程試塊的制作應不少于4組(每組3塊),試塊尺寸為40×40×160毫米。工程試塊的養護、烘烤應完全符合鍋爐爐墻的烘烤要求。
1.3高強度耐火澆注料
1.3.1 高強度耐火澆注料技術指標必須符合表3的要求。

1.3.2 材料交付要求:材料在工地交付用戶時應采用分袋包裝的形式,并且隨材料一同提供材料化驗單,用戶對每一批材料在現場進行抽樣,委托權威部門進行鑒定,以確定是否符合要求。
1.3.3工程試塊要求:鋯鉻剛玉澆注料施工時應在施工現場隨機采樣制作工程試塊。工程試塊的制作應不少于4組(每組3塊),試塊尺寸為40×40×160毫米。工程試塊的養護、烘烤應完全符合鍋爐爐墻的烘烤要求。
1.4 輕質澆筑料
1.4.1 輕質澆注料的技術指標必須符合表4的要求。

1.4.2 材料交付要求:材料在工地交付用戶時應采用分袋包裝的形式,并且隨材料一同提供材料化驗單,用戶對每一批材料在現場進行抽樣,委托權威部門進行鑒定,以確定是否符合要求。
1.4.3 工程試塊要求:輕質澆注料施工時應在施工現場隨機采樣制作工程試塊。工程試塊的制作應不少于4組(每組3塊),試塊尺寸為40×40×160mm。工程試塊的養護、烘烤應完全符合鍋爐爐墻的烘烤要求。
1.5<a href=""> 輕質保溫磚
輕質保溫磚的技術指標必須符合表5的要求。

1.6 保溫混凝土
保溫混凝土的技術指標必須符合表6的要求。

1.7 硅酸鋁纖維氈

第二部分 180t/h循環流化床鍋爐的爐墻砌筑
一、結構簡圖

二、各部位結構材料說明及施工要求
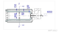
1、點火裝置
⑴、說明
本鍋爐采用床下油點火方式,此處升溫迅速,溫度高,瞬間溫度高達1400℃,因此對耐火材料要求有較高的抗熱震穩定性,不易脫落。
⑵、簡圖及尺寸


⑶、材料內層采用磷酸鹽耐火混凝土(表1)。
⑷、施工要求嚴格按照前述規定和圖紙尺寸要求進行,不得隨意改動。
⑸、樣品的留取:施工時應隨機在現場采樣制作樣品,并對樣品進行編號,編號格式為(部位)LNSK1、(部位)LNSK2、(部位)LNSK3,然后由用戶保存,必要時送權威部門進行鑒定。
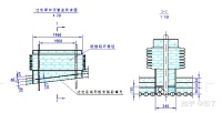
2、布風裝置及水冷風室
⑴、說明:由于回料閥的回料和床內大量物料的回混,使布風板受到大量高溫床料的沖蝕,對耐火材料要求有較高的耐高溫及耐磨性能。一次風室及水冷風室內部點火時工作溫度900℃左右,正常運行在175℃左右,不存在磨損現象。但溫度變化大,熱沖擊劇烈,對耐火材料要求有較高的抗熱震穩定性,不應輕易發生脫落現象。
⑵、簡圖及尺寸


⑶、布風板及水冷風室采用磷酸鹽耐火混凝土(表1),一次風室內層材料采用磷酸鹽耐火混凝土(表1),外層采用保溫混凝土(表6)。一次風進口處采用磷酸鹽耐火混凝土。
⑷、施工要求嚴格按照前述規定和圖紙尺寸要求進行,不得隨意改動。布風板的砌筑材料與進風管的膨脹量不同,為保證運行的安全可靠,在磷酸鹽耐火混凝土施工前,將布風板上所有風帽及進風管需澆注處的外表面纏上2mm厚的陶瓷纖維紙。為防止風帽磨損,要求磷酸鹽耐火混凝土上表面應與風帽底座平齊。
⑸、樣品的留?。菏┕r應隨機在現場采樣制作樣品,并對樣品進行編號,編號格式為(部位)LNSK1、(部位)LNSK2、(部位)LNSK3,然后由用戶保存,必要時送權威部門進行鑒定。
3、爐膛下部流化床
⑴、說明:此處煙氣流速4~6m/s,工作溫度800℃~1000℃,煤灰粒徑大、濃度高,磨損的可能性很大。為防止該區域受熱面的磨損,在圖示四周水冷壁范圍內都預焊了銷釘,以固定耐磨耐火可塑料(60mm厚,從管子中心算起)。在容易磨損的衛燃帶上部與膜式壁管交接處采用了膜式壁向外讓管的方式,使膜式壁與衛燃帶平滑過渡,從而減少此處煙氣對膜式壁產生的磨損。由于采用水冷壁管直接搗打可塑料的爐墻結構,要充分考慮耐火材料與受熱面管子間膨脹系數的配合。對耐火材料要求有良好的抗磨性能且不易脫落。
⑵、簡圖及尺寸

⑶、材料采用耐磨耐火可塑料(表2)。
⑷、材料交付要求:材料在工地交付用戶時應采用分袋包裝的形式,并且隨材料一同提供材料化驗單。用戶對每一批材料在現場進行抽樣,委托權威部門進行鑒定,以確定是否符合要求。
⑸、施工要求
F 嚴格按照圖紙尺寸要求進行施工,不得隨意改動。
F 施工方法:除按照本規范“附錄2”中相應材料的施工規定執行外。此處施工時可按尺寸1000×800mm的尺寸分塊澆注,并形成自然工作縫,可塑料施工時嚴禁堵塞播煤風管。
F 樣品的留?。耗湍ツ突鹂伤芰鲜┕r應隨機在現場對關鍵部位采樣制作樣品,并對樣品進行編號,編號格式為(部位)NKSK1、(部位)NKSK2、(部位)NKSK3,然后由用戶保存,必要時送權威部門進行鑒定。
4、屏式過熱器(水冷屏)
⑴、說明:屏式過熱器(水冷屏)布置在爐膛內。鍋爐運行中,高溫煙氣攜帶著床料直接沖刷屏式過熱器(水冷屏)的下沿及相應的前水冷壁,因此在屏式過熱器(水冷屏)下部四周及其穿越前水冷壁周圍都預焊了銷釘,并在這些區域搗打了60mm(由管子中心線算起)的耐磨耐火可塑料,以防受熱面的磨損。屏式過熱器(水冷屏)爐頂管澆筑如下圖所示,注意鰭片下部用耐磨耐火可塑料。
⑵、簡圖及尺寸


⑶、屏式過熱器(水冷屏)下部材料采用耐磨耐火可塑料(表2)。
⑷、耐磨耐火可塑料交付要求和樣品留取與“爐膛下部流化床”部位相同。
⑸、耐磨耐火可塑料施工要求要嚴格按照產品設計圖紙要求的尺寸和附錄中相應材料的施工規定執行。
5、爐膛出口
⑴、說明:此處工作溫度800℃~1000℃左右,高溫煙氣攜帶著床料粒子從爐膛進入旋風分離器時,在流經出煙口處,氣、固兩相流動速度急劇增大,灰濃度較高,出煙口及其相鄰的后水冷壁周圍區域受到粒子的沖刷磨損嚴重,對耐火材料要求有良好的抗磨性能且不易脫落。
⑵、簡圖及尺寸


⑶、材料采用耐磨耐火可塑料(表2)。
⑷、材料交付要求和樣品的留取與“爐膛下部流化床”部位相同。
⑸、施工要求:要嚴格按照產品設計圖紙要求的尺寸和附錄中相應材料的施工規定執行。
6、分離器進口膨脹節
⑴、說明:該部位是爐膛出口和分離器進口交接處,煙速15~25m/s,工作溫度800~1000℃左右?;覞舛容^高,磨損嚴重,要充分考慮耐磨耐火可塑料和高強度耐磨澆注料間膨脹縫的處理。膨脹節周圍采用澆注結構,用Y形抓釘固定,與膜式壁銜接處考慮實際膨脹情況,采取錯邊結構,澆筑時錯邊尺寸應嚴格按圖紙進行,所留設的膨脹縫內應填充相應厚度的硅酸鋁纖維氈。耐火材料要求有良好的抗磨損性能及抗熱震性能,防止脫落及坍塌。
⑵、簡圖及尺寸


⑶、材料采用耐磨耐火可塑料(表2)和高強度耐磨澆注料B型(表3)。
⑷、施工要求:要嚴格按照產品設計圖紙要求的尺寸和附錄中相應材料的施工規定執行。
⑸、樣品的留?。耗湍ツ突鹂伤芰蠘悠妨羧∨c“爐膛下部流化床”部位相同。高強度耐磨澆注料施工時應隨機在現場對關鍵部位采樣制作樣品,并對樣品進行編號,編號格式為(部位)NJSK1、(部位)NJSK2、(部位)NJSK3,然后由用戶存檔,必要時送權威部門進行鑒定。
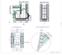
7、旋風分離器
⑴、說明:旋風分離器是循環流化床鍋爐最重要的部件,其性能的好壞直接影響鍋爐的性能。該部位工作溫度900℃左右,煙氣進口流速高(28m/s),灰濃度高,磨損嚴重,頂部耐火材料易脫落。特別是靶區范圍內磨損更為嚴重,靶區范圍內采用高強
度耐磨澆注料B型,且只留橫向膨脹縫。在筒體、錐體內水平安裝了多層支撐托板,固接在金屬殼體的內壁上,用以支撐內部的耐磨保溫材料,實現分層卸載。
爐墻總厚度為320mm,分四層:內層為90mm厚耐磨耐火可塑料或鋯鉻剛玉澆注料,中間層為70mm厚輕質澆注料,外層為114mm厚輕質保溫磚(其中輕質保溫磚的砌筑應平整,相鄰兩層磚的磚縫錯列排布,磚縫用保溫混凝土均勻填充,在砌筑不方便的部位時,不能用碎磚頭填充,應用保溫混凝土予以填實),最外層為46mm厚硅氈。澆注料的支撐件為Y型抓釘。澆注料施工前,應將Y型抓釘按圖紙要求就位,由于分離器直徑較大,要充分考慮耐火澆注料塊間的收縮縫的處理,防止耐火澆注料脫落。抓釘上涂以瀝青,澆注時不同部位按圖紙要求澆注成小塊,每小塊之間的膨脹縫墊4mm厚膠合板。若未注明的部分,按橫向間隔1m,縱向間隔1m,設一條膨脹縫(墊4mm膠合板),所留膨脹縫為迷宮式。分離器中的抓釘布置在不同的部位每平米布置數量是不同的,在安裝時應按抓釘圖中的頂部抓釘布置圖、筒體及錐體抓釘布置圖及靶區抓釘布置圖的詳細圖示數量進行布置,所有抓釘的布置必須嚴格按照抓釘布置圖施工,不得少焊。
筒體、錐體殼體上均應開設排汽孔。其目的是烘爐時可將砌筑材料中的水汽及時排出。若不設排汽孔將導致烘爐時由于水蒸汽無法順利排出而將砌筑材料裂開。排汽孔的開設應在旋風分離器砌筑前進行,由安裝單位按以下確定的位置現場開設。筒體、錐體上排汽孔為:高度方向每1m、圓周方向每隔1m左右開設1個30×30mm的排汽孔,開孔均勻布置。筒體、錐體殼體上開設的排氣孔,在鍋爐72小時試運行后用10×30×30mm的鋼板封焊。頂板澆注時澆注料由頂板上部開孔后澆入并搗實,在鍋爐72小時試運行后,再將蓋板全部密封焊。
⑵、簡圖及尺寸

⑶、分離器筒體、錐體抓釘數量均按澆注層內表面給定。
⑷、材料最內層(高溫煙氣流經面)分為兩種材料,分離器進口煙道及靶區范圍內為鋯鉻剛玉澆注料 (表3),其余部位選用耐磨耐火可塑料(表3);中間一層為輕質澆注料(表4);外層為輕質保溫磚(表5),頂部外層為保溫混凝土(表6)。中心筒支撐處采用輕質澆注料(表4)。
⑸、材料交付與施工要求必須按照“第一部分”中相應材料交付和附錄中施工規定執行。其中輕質保溫磚的砌筑應平整,灰縫均勻,在砌筑不方便的部位,不能用碎磚頭填充,應用保溫混凝土予以填實。
⑹、樣品的留?。耗湍ツ突鹂伤芰匣蜾嗐t剛玉澆注料施工時應隨機在現場對關鍵部位采樣制作樣品,并對樣品進行編號,編號格式為(部位)NJSK1、(部位)NJSK2、(部位)NJSK3,然后由用戶存檔,必要時送權威部門進行鑒定。
8、料腿、返料裝置及料腿膨脹節
⑴、說明:返料裝置是將分離器分離下來的物料輸送到爐膛的裝置,此處灰濃度很高,工作溫度高(~930℃),灰熱容量大。結構要求密封嚴密。施工應嚴格按圖紙進行,并保證結構尺寸。結構型式為三層,外層為100mm厚的硅氈,中層為130mm厚的輕質澆注料,內層為90mm厚的耐磨耐火可塑料。布風板的澆注分兩層,外層為230mm厚的輕質澆注料,內層為90mm厚的耐磨耐火可塑料。施工時不允許將風帽小孔堵塞。在施工高強度耐磨澆注料前將布風板上所有風管需澆注部分的外表面纏上2mm厚的陶瓷纖維紙。澆注時要保證設計尺寸,保證澆注表面到風帽小孔中心線尺寸為16mm。此處對耐火材料要求強度高、耐磨性好。要充分考慮熱沖擊的影響。
料腿、返料器殼體上均應開設排汽孔。排汽孔的開設應在旋風分離器砌筑前進行,由安裝單位按以下確定的位置現場開設。料腿、返料器上排汽孔為:高度每1m、圓周方向均布3個20×20mm的排汽孔。所有鋼外殼上開設的排氣孔,在鍋爐72小時試運行后用8×20×20mm的鋼板封焊。
⑵、簡圖及尺寸



⑶、材料最內層(高溫煙氣流經面)為耐磨耐火可塑料(表3);中間一層為輕質澆注料(表4);外層為硅酸鋁纖維氈。
⑷、材料交付要求與“旋風分離器”部位相同。
⑸、施工要求與“旋風分離器”部位相同。
9、分離器出口煙道及膨脹節
⑴、說明:該部分處于分離器之后,工作溫度900℃左右。從旋風分離器出來的攜帶部分固體粒子的氣流速度較高,對連接煙道會造成沖刷磨損,對耐火材料要求有較好的抗磨損性能及抗熱震性能,防止脫落。爐墻厚度為320mm,分四層:內層為90mm耐磨耐火可塑料,中間層為70mm輕質澆注料,外層為114mm輕質保溫磚,最外層為46mm硅氈。澆注料支撐件為Y型抓釘。澆注料施工與分離器相同。澆注頂板時澆注料由頂部開孔后澆入并搗實,在鍋爐72小時試運行后,再將蓋板全部密封焊。
⑵、簡圖及尺寸

⑶、材料最內層(高溫煙氣流經面)為耐磨耐火可塑料(表3);中間一層為輕質澆注料(表4);外層為輕質保溫磚(表5),最外層為硅氈,頂部外層為保溫混凝土。
⑷、材料交付要求與“旋風分離器”部位相同。
⑸、施工要求與“旋風分離器”部位相同。
10、尾部煙道前墻入口
⑴、說明:
煙氣經過連接煙道進入尾部煙道時,氣流流向急劇變化,尾部進口會受到氣流流向改變造成局部磨損,為防止磨損,在尾部進口的集箱及中間立管上焊以銷釘,并搗打耐磨耐火可塑料。
⑵、簡圖及尺寸

⑶、材料為耐磨耐火可塑料。
⑷、材料交付要求與“爐膛下部流化床”部位相同。
⑸、施工要求:要嚴格按照產品設計圖紙要求的尺寸和附錄中相應材料的施工規定執行。
11、爐膛膜式壁及包墻過熱器外部保溫
⑴、說明
爐膛膜式壁及包墻過熱器為全膜式壁結構,外部采用硅酸鋁纖維氈進行保溫,并用保溫釘和鐵絲網與膜式壁鰭片固定,外側加外護板,保溫層總厚度為200mm。
⑵、簡圖及尺寸

⑶、材料為硅酸鋁纖維氈鋪設時各層之間接縫須錯開,嚴禁重合。
12、省煤器外護板外部保溫
⑴、說明:說明:省煤器部分為鋼板框架結構,高溫省煤器在尾部護板外部采用硅酸鋁纖維氈進行保溫,并用保溫釘和鐵絲網與鋼板固定,外側加外護板,保溫層總厚度為200mm。低溫省煤器在煙道內側澆筑一層δ80磷酸鹽耐火混凝土和一層δ120保溫混凝土,外部采用尾部護板進行支撐和密封,保溫層總厚度為200mm。安裝時各護架之間以及護架與鋼架之間的焊接要牢固、密封。所有鋼護板在烘爐結束后必須密封焊,不允許有任何泄漏點
⑵、簡圖及尺寸

⑶、材料為硅酸鋁纖維氈鋪設時各層之間接縫須錯開,嚴禁重合。
13、空氣預熱器外部保溫
⑴、說明
空預器外部采用硅酸鋁纖維氈進行保溫,并用保溫釘和鐵絲網與鋼板固定,外側彩鋼板,保溫層總厚度為100mm。
⑵、簡圖及尺寸

⑶、入口處材料采用表1磷酸鹽耐火混凝土。外部保溫材料采用硅氈,外側為瓦棱板,硅氈鋪設時各層之間接縫須錯開,嚴禁重合。
⑷、磷酸鹽耐火混凝土交付要求與“點火裝置”部位相同。
⑸、磷酸鹽耐火混凝土施工要求與“點火裝置”部位相同。
附錄1耐磨澆注料(可塑料)施工質量檢查
F1.1耐磨澆注料(可塑料)制作的襯里施工完成后,必須進行質量檢查,檢查合格后才能進行下道工序的施工(如烘爐等)。
F1.2 成型的襯里表面平整,厚度均勻。允許的厚度偏差為+5毫米。
F1.3 對于平面襯里,可用長度為1米的直鋼板尺進行檢查。直鋼板尺貼近平面后產生的間隙不得大于3毫米。
F1.4 對于環形襯里(如旋風分離器環形表面等),可用弦長等與0.25R(被檢環形的半徑)的樣板貼近曲面進行檢查(樣板的弦長不大于1.5米、不小于0.5米),產生的間隙不得大于5毫米。
F1.5 養護完成(烘爐前)的耐磨襯里用0.5kg的手錘輕輕敲擊檢查,其聲音應鏗實、清脆,不允許有“空鼓”聲。
F1.6 高耐磨單層襯里應牢固,用0.5kg手錘輕輕敲擊無松動;清除襯里表面浮塵,并用焊條在襯里表面劃痕檢驗硬度,其表面應僅留有焊條磨損痕跡。對于高耐磨雙層襯里除了按照本條進行檢查外,尚應按照F1.5條的要求進行檢查。
F1.7 本附錄供用戶和現場工程監理參考使用。
附錄2耐磨澆注料(可塑料)施工方法
F2.1 施工方法:耐磨耐火可塑料施工方法如下
①. 拌和: 耐火可塑料應用機械拌和,必須選用強制式攪拌機。采用強制攪拌機攪拌時,先將原料干混1分鐘,而后加水濕混2~4分鐘,總攪拌時間不少于3分鐘。
②. 加水:總加水量應為干原料總量的4.5%、最大不超過5%。加入的水必須清潔,應為氯化物含量小于50ppm的飲用水、PH值應在6.5~7.5之間。夏季施工當環境溫度大于30℃ 時,應在攪拌時加入適量的緩凝劑防止過快凝結;冬季當環境溫度小于等于5℃ 時應停止施工,以保證施工質量。
③. 攪拌好的料必須在30分鐘之內用完,采用手工搗打成型的方式施工。
施工完成的可塑料表面應平整光滑,無孔洞、蜂窩、麻面及裂紋等缺陷。
④. 養護:耐磨耐火可塑料的養護按表9執行。
表9
| 種 類 | 養 護 環 境 | 養護溫度℃ | 養護時間(天) |
| 耐磨耐火可塑料 | 自然養護 | >20 | 7 |
⑤. 烘烤:耐磨耐火可塑料的烘烤按照表10的要求執行。
表10 耐火可塑料烘烤要求
| 溫度區間(℃) | 升(降)溫速度(℃/h) | 需用時間(h) |
| 常溫-150 | 5-10 | 13-26 |
| 150±5 | 0 | 24 |
| 150-315 | 10-15 | 11-16.5 |
| 315±5 | 0 | 36 |
| 315-540 | 20-25 | 7.5-9 |
| 540±5 | 0 | 24 |
| 540-常溫 | <25 | / |
F2.2工程試塊要求:耐磨耐火可塑料施工時應在施工現場隨機采樣制作工程試塊。工程試塊的制作應不少于4組(每組3塊),試塊尺寸為40×40×160毫米。工程試塊的養護、烘烤應完全符合上述要求
F2.3 施工方法:耐磨澆注料施工方法如下
①. 水:必須用清潔水。應采用氯化物含量少于50ppm的飲用水,PH值在6.5~7.5之間。加水量應按材料供方說明書嚴格控制。
②. 攪拌:必須采用強制式攪拌機,所有攪拌工具必須清潔。拌合到料均勻為止。攪拌溫度應為20℃±5℃,攪拌時間按供方推薦值。
③. 攪拌時,材料添加量不得少于整包。攪拌的材料量應符合供方參數。
④. 所有模具的澆注面均應涂一層機油。
⑤. 所有預埋金屬件,澆注前應涂一層瀝清漆。
⑥. 每批料必須在攪拌完畢后10~30分鐘內灌注,一次澆注到所規定的厚度,振動到完全密實為止。
⑦. 養護濕度不低于90%,養護溫度應控制在15~25℃之間。
⑧. 澆注后24小時脫模,總養護時間不少于3天。
F2.4 烘干制度:耐磨澆注料的烘烤按照表11的要求執行。
表11 高強度耐磨澆注料烘烤要求
| 溫度區間(℃) | 升(降)溫速度(℃/h) | 需用時間(h) |
| 常溫-150 | 5-10 | 13-26 |
| 150±5 | 0 | 24 |
| 150-315 | 10-15 | 11-16.5 |
| 315±5 | 0 | 36 |
| 315-540 | 20-25 | 7.5-9 |
| 540±5 | 0 | 24 |
| 540-常溫 | <25 | / |
F2.5 本附錄供用戶和現場工程監理參考使用。
附錄3 磷酸鹽耐火混凝土施工方法
F3.1施工方法:
①. 拌和: 耐火混凝土應用機械拌和,必須選用強制式攪拌機。以磷酸作為膠結料的耐火混凝土,拌和次序分為第一次拌和、困料和第二次拌和。
第一次拌和:原料干混1分鐘后,加入所需磷酸用量的一半左右,濕混2~3分鐘,送至貯料倉斗或場地困料。
困料:應困置16小時以上,以防成型后制品膨脹。
第二次拌和:在困好的料中加入促硬劑,攪拌2~3分鐘使之混合均勻,然后再加入所需磷酸用量的剩余部份,攪拌2~3分鐘即可使用。如不加促硬劑,在困好的料中加剩余磷酸用量,攪拌2~3分鐘后使用,攪拌好的料要盡快使用,最好在15~20分鐘內用完。施工中若發現材料出現變硬現象,應棄置不用。
②. 成型:耐火混凝土可以采用機械振動成型或人工搗固成型。
③. 養護:磷酸鹽耐火混凝土的養護按表12執行。
表12
| 種 類 | 養 護 環 境 | 養護溫度℃ | 養護時間(天) |
| 磷酸耐火混凝土 | 自然養護 | >20 | 4~7 |
注:蒸汽養護時升溫速度10~15℃/h,不應超過20℃/h,降溫速度不宜大于40℃/h。
④. 烘烤:耐火混凝土中含有大量的游離水和結合水,要求在養護后、使用前進行烘烤,烘烤制度按砌體厚度可按照表13進行。

注:表中(℃/h)為升溫速度。由于使用條件不同,按照使用場合制定合適的烘烤制度最為經濟合理。初次加熱時以緩慢升溫為宜,避免因急劇升溫而引起開裂或局部爆裂。如果耐火混凝土用于煙道等隱蔽部位,也應采取必要的措施加以烘烤。對于混凝土面積較大的部位應適當開設排氣孔,烘烤完畢后封焊。
F3.2工程試塊要求:磷酸鹽耐火混凝土施工時應在施工現場隨機采樣制作工程試塊。工程試塊的制作應不少于4組(每組3塊),試塊尺寸為40×40×160毫米。工程試塊的養護、烘烤應完全符合上述要求。
F3.3 本附錄供用戶和現場工程監理參考使用
鍋爐之家客服熱線:











